
YBX3高效率防爆電機概述
YBX3系列高效率隔爆型三相異步電動機,是在YB3防爆電機的基礎上進行了高效節能技術改進,在使用上能夠完全取代YB3防爆電機的適用性。效率符合GB18613-2012《中小型三相異步電動機能效限定值及能效等級》中的2 級能效,且具有性能優良,使用安全可靠,振動、噪聲比同類產品降的特點,符合環保要求。 YBX3系列高效率隔爆型三相異步電動機電動機防爆性能符合GB3836.1-2010 《爆炸性環境 第1部分:設備 通用要求》和GB3836.2-2010 《爆炸性環境 第2部分:由隔爆外殼“d”保護的設備》的規定,制成隔爆型。防爆標志為Ex d ⅡA T4 Gb、Ex d ⅡB T4 Gb,Ex d ⅡC T4 Gb,適用于有爆炸性氣體混合物存在的場所。 Ex d ⅡA T4 Gb 適用于工廠用IIA類,溫度組別為T1、T2、T3 和T4 組爆炸性氣體混合物存在的環境。Ex d ⅡB T4 Gb 適用于工廠用IIB類,溫度組別為T1、T2、T3 和T4 組爆炸性氣體混合物存在的環境.Ex d ⅡC T4 Gb 適用于工廠用IIC類,溫度組別為T1、T2、T3 和T4 組爆炸性氣體混合物存在的環境。
YBX3防爆電機使用環境條件
YBX3防爆電機在YBX3基本系列電動機基礎上,也可制成YBX3-W 戶外型、YBX3-TH 濕熱帶型、YBX3-THW戶外濕熱帶型、YBX3-TA 干熱帶型、YBX3-TAW 戶外干熱帶型、YBX3-T 熱帶型、YBX3-TW 戶外熱帶型及YBX3-WF1 戶外中等防腐蝕型等氣候環境條件。
YBX3防爆電機技術參數
額定電壓:380、660、1140、380/660、600/1140V。
額定頻率:50Hz
功率范圍:0.12-375kw
絕緣等級:F
防護等級:IP55
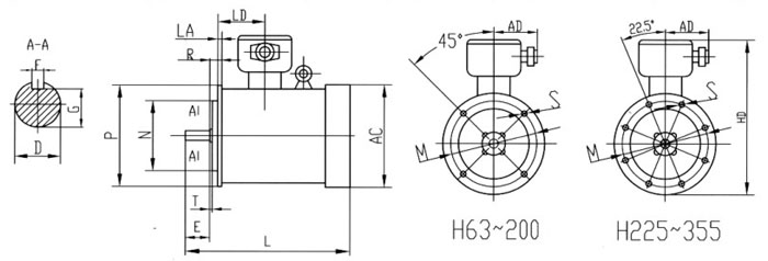
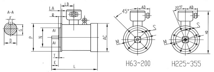
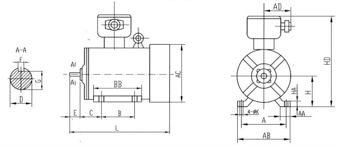
安裝方式如圖


銷售熱線:15639409979 13949954626
聯系電話:0394-8528277 8211900
在線QQ: 859064991 2459639887
網址: www.lyyjf.com